工場出荷設定は全てOFFです
|
|
|
1 |
2 |
3 |
4 |
5 |
6 |
7 |
8 |
|
ゲーム料金 |
1 COIN 1 CREDIT |
OFF |
OFF |
OFF |
|
|
|
|
|
|
ゲーム料金 |
1 COIN 1 CREDIT |
|
|
|
OFF |
OFF |
|
|
|
|
アトラクト |
あり |
|
|
|
|
|
OFF |
|
|
|
画面停止 |
ノーマル |
|
|
|
|
|
|
OFF |
|
|
常時OFF |
|
|
|
|
|
|
|
OFF | |
|
|
|
1 |
2 |
3 |
4 |
5 |
6 |
7 |
8 |
|
ランク |
標準(B) |
OFF |
OFF |
|
|
|
|
|
|
|
常時OFF |
|
|
OFF |
OFF |
OFF |
OFF |
OFF |
OFF | |
|
|
|
|
|
|
フロントスピーカー左[+] リアスピーカー右[+] リアスピーカー左[+] ビデオ RED ビデオ BLUE ビデオ GND GND SOUND 2 SOUND 4 |
B C D E F H J K L |
2 3 4 5 6 7 8 9 10 |
フロントスピーカー左[−] リアスピーカー右[−] リアスピーカー左[−] ビデオ GREEN ビデオ SYNC ビデオ GND SOUND 1 SOUND 3 SOUND GND |
SOUND1〜4・GNDは、下表のJ4コネクターの、同様の場所に配線して下さい。
|
1 |
+12V |
J2コネクター・J3コネクターとも配線は同じです。
|
|
|
|
|
|
コインロックアウト コインカウンター1 サービススイッチ コインスイッチ1 GND SOUND 1 SOUND 3 SOUND GND VOL.GND アクセルVOL VOL.Vcc +5V OUT GND |
B C D E F H J K L M N P R S T U V |
2 3 4 5 6 7 8 9 10 11 12 13 14 15 16 17 18 |
スタートランプ コインカウンター2 テストスイッチ コインスイッチ2 GND SOUND 2 SOUND 4 SOUND GND VOL.GND VOL.Vcc +5V OUT GND |
+12V OUTはコインカウンター用です。
SOUND1〜4・GNDは、上表のJ1コネクターの、同様の場所に配線して下さい。
|
1 |
スイッチ1 |
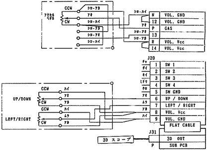
アクセル・アナログレバーボリューム配線表

Copyright (C) おとかる。[Oto-Karu] ALL RIGHTS RESERVED.